JONNAGIRI PROJECT
JONNAGIRI PROJECT
JONNAGIRI PROJECT
JONNAGIRI PROJECT

New Home

Welcome to Geomysore

Geomysore Services India Pvt Ltd has developed a robust infrastructure to support its exploration and mining activities across India. The company ensures that each project site is equipped with the necessary...

We Work for Positive Impact

At the heart of our operations lies a commitment to sustainable mining and community well-being. With responsible extraction and efficient processing, we strive to create long-term value

Mining Capacity

Production capacity of 0.4 MTPA

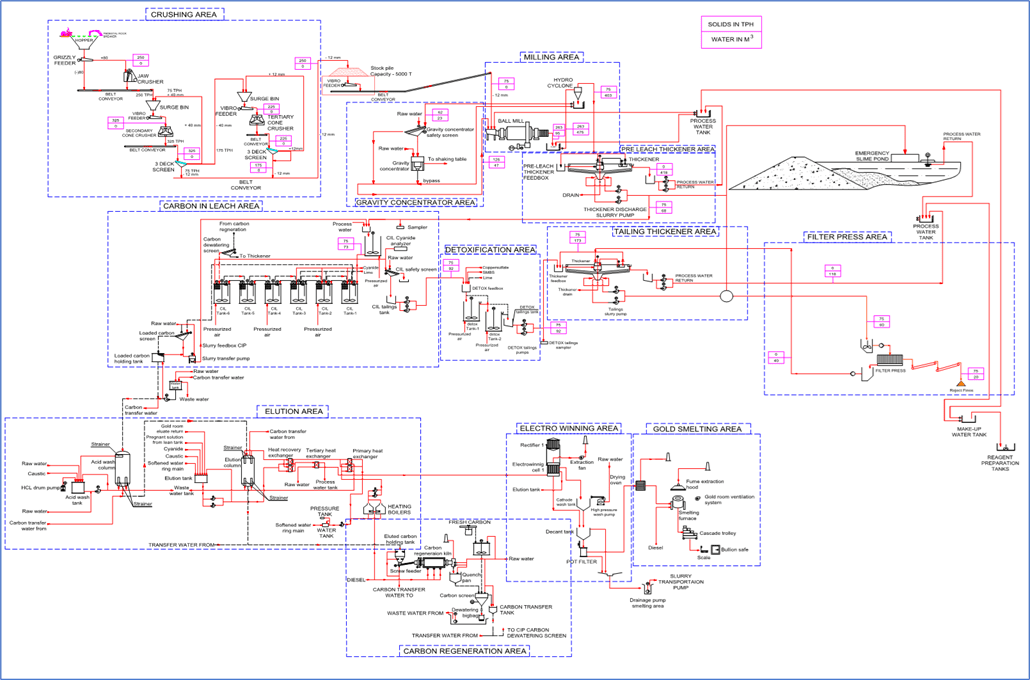
Processing Capacity

Processing Quantity 0.3 MTPA

Jonnagiri Gold Project

What We Do

Our CSR Activities

At Geomysore Services India Pvt Ltd, we believe in responsible and sustainable business practices that contribute to the well-being of communities and the environment. Our Corporate Social Responsibility (CSR) initiatives focus on environmental conservation, community development, and ethical mining practices to create a positive and lasting impact.

Education>>

Education Education plays a crucial role in the development and progress of ...

Health>>

Health Since the very beginning, Geomysore has been involved in assisting towards ..

Plantation>>

Plantation Geomysore has been actively involved in the plantation activities in and ...

Water Supply>>

Water Supply At Geomysore, we have taken intensive efforts to provide water ...

Infrastructure & Sanitation>>

Infrastructure & Sanitation We have deployed permanent sanitary staffs ...

Skill Development>>

Skill development plays a vital role in the growth and empowerment of a community.